Electric 48KW hydraulic press thermal oil heater
Product Detail
Thermal oil heater is a kind of new-typed heating equipment with heat energy conversion. It takes the electricity as power, changes it into the heat energy through the electrical organs, takes the organic carrier (heat thermal oil) as medium, and continues to heat through the compulsive circulation of the heat Thermal oil driven by high-temperature oil pump, so as to meet the heating requirements of users. In addition, it could also satisfy the requirements of set temperature and temperature controlling accuracy. We are manufactured for capacities from 5 to 2,400 kw as well as temperatures of up to +320 °C.
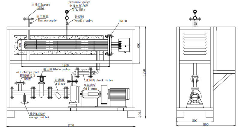
Working Diagram (for laminator)
Features
(1) It runs at a lower pressure and get a higher operating temperature.
(2) It can get the stable heating and precise temperature.
(3) Thermal Oil Heater has complete operational control and security monitoring devices.
(4) Thermal oil furnace helps to save electricity, oil and water, and can recover investment in 3 to 6 months.
Precautions
1. During the operation of the heat-conducting oil furnace, when the heat-conducting oil is put into use, the circulating oil pump should be started first. After half an hour of operation, the temperature should be raised slowly during the incineration.
2. For this type of boiler with heat transfer oil as heat carrier, its system should be equipped with expansion tank, oil storage tank, safety components and control equipment.
3. In the process of using the boiler, it should be carefully checked. Beware of leakage of water, acid, alkali and low-boiling point materials into the heat-conducting oil furnace system. The system should be equipped with filtering equipment to avoid the entry of other debris to ensure the purity of the oil.
4. After using the oil furnace for half a year, if it is found that the heat transfer effect is poor, or other abnormal conditions occur, an oil analysis should be carried out.
5. In order to ensure the normal heat conduction effect of the heat transfer oil and the service life of the boiler, it is forbidden to operate the boiler under the action of over temperature.









