Industrial electrical thermal hot oil heater
Working principle
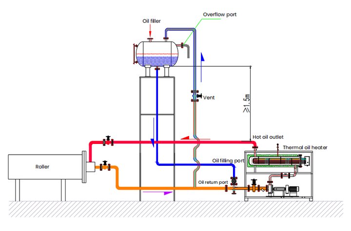
The electric heating thermal oil furnace, also known as thermal oil heater, is a new type of special industrial furnace that is safe energy-efficient, operates at low pressure (atmospheric pressure or lower pressure), and provides high-temperature heat energy. It uses electricity as the heat source, oil as the heat carrier, and utilizes the circulating oil pump to force liquid phase circulation. After conveying the heat energy to the heating equipment, it returns and reheat, thus continuously transferring heat to raise the temperature of the heated object and meet the heating process requirements.
Product details display
Product advantage
1. Low pressure, high temperature, energy saving
2. Complete operation control and safety monitoring device, which can accurately control the working temperature
3. Rational structure, complete supporting facilities, short installation cycle, and convenient operation and maintenance
4. Environmental protection and durability, improve thermal efficiency, low noise, and environmental protection standards
5. Advanced explosion-proof structure, which can be used in factory area II explosion-proof, and the explosion-proof level can reach C
Working condition application overview
In the printing and dyeing industry, thermal oil furnaces play a vital role, mainly used in the following aspects:
Dyeing and heat setting stage: The heat transfer oil furnace provides the heat required for the dyeing and heat setting stage of the fabric printing and dyeing process. By adjusting the export oil temperature of the heat conduction oil furnace, the process temperature required for textile printing and dyeing can be achieved.
Heating equipment: It is mainly used in the heating process of drying and setting device, hot melt dyeing device, dyeing printing device, dryer, dryer, calender, flattening machine, detergent, cloth rolling machine, ironing machine, hot air stretching and so on. In addition, the heat transfer oil furnace is also used in the heating process of printing and dyeing machines, color fixing machines and other equipment.
Energy saving and environmental protection: Due to the high pollution and high consumption characteristics of the printing and dyeing industry, the energy saving and environmental protection performance of the thermal oil furnace has become particularly important. Thermal oil boiler, also known as organic heat carrier boiler, uses thermal oil as a thermal medium for heat transfer, has the advantage of high temperature and low pressure, the working temperature can reach 320℃, to meet the textile printing and dyeing production process to meet the large demand for high temperature. Compared to steam heating, the use of heat-conducting oil boilers saves investment and energy.
In summary, the application of thermal oil furnace in the printing and dyeing industry not only improves production efficiency, but also promotes energy conservation and emission reduction, which meets the requirements of environmental protection policies.
Product application
As a new type of special industrial boiler, which is safe, efficient and energy saving, low pressure and can provide high temperature heat energy, high temperature oil heater is being applied rapidly and widely. It is a high efficiency and energy saving heating equipment in chemical, petroleum, machinery, printing and dyeing, food, shipbuilding, textile, film and other industries.
Customer use case
Fine workmanship, quality assurance
We are honest, professional and persistent, to bring you excellent products and quality service.
Please feel free to choose us, let us witness the power of quality together.
Certificate and qualification
Product packaging and transportation
Equipment packaging
1) Packing in imported wooden cases
2) The tray can be customized according to customer needs
Transport of goods
1) Express (sample order) or sea (bulk order)
2) Global shipping services





